
Centralita digital de calefacción instalada en una vivienda particular. Por un error en la instalación viene con un problema de cortocircuito entre dos de sus contactos. Midiendo con el tester da continuidad en todo momento.
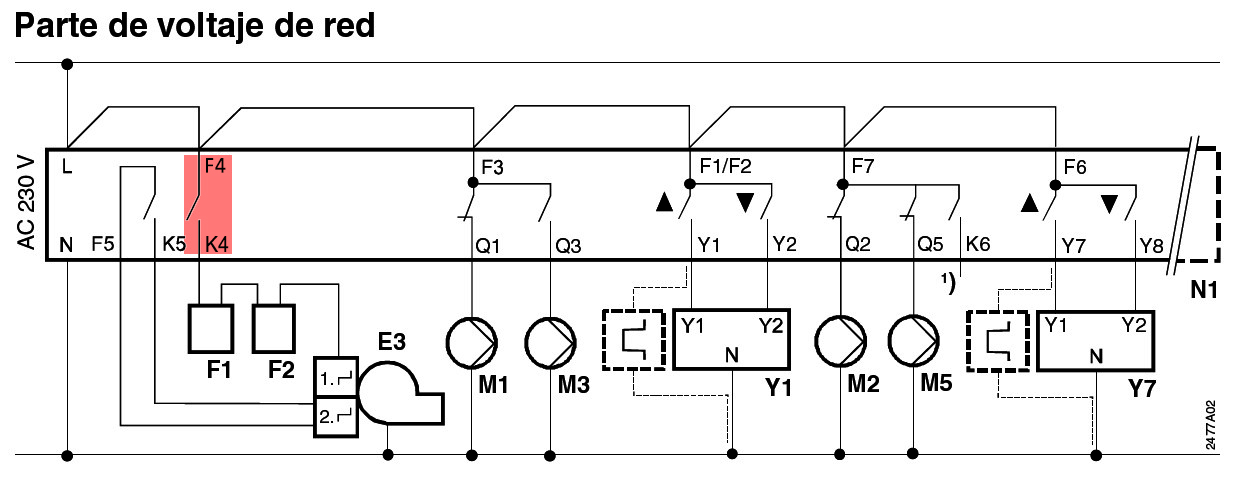
Los contactos en cortocircuito son F4 con K4, a los cuales se les introdujo por error tensión directa de 220V. Voy a consultar el esquema eléctrico para verificar a dónde van o de dónde provienen estas conexiones.
Los contactos F4 y K4 corresponden a un interruptor interno, probablemente un relé. Al introducir tensión se ha producido un cortocircuito que ha sobrecalentado los contactos cerrados del relé y los ha soldado. Por eso entre ambos contactos hay continuidad. Procedo a desarmar la unidad. Para ello hay que hacer palanca y liberar seis pestañas indicadas en rojo en la siguiente foto. En verde los contactos en cortocircuito.
Una vez liberadas las pestañas la caja exterior sale con facilidad y tengo acceso al interior de la centralita. Viene construida en dos niveles, la sección frontal con el panel de mandos y la pantalla y una segunda placa de relés.
Accionando las mismas pestañas de antes procedo a liberar la placa de relés, la cual va acoplada a la sección frontal mediante un zócalo. La idea es tener acceso a dicha placa para comprobar el relé y substituirlo si es necesario. Compruebo con el tester que, efectivamente, el relé está en corto.
Hay que substituirlo por otro similar. El modelo es RY531012, de Schrack. Es un relé de 12V de un solo circuito de 8A y un solo cierre de contactos «NO» (Normally Open), es decir, con la bobina en reposo tiene los contactos abiertos. Ante la imposibilidad de encontrar el mismo modelo opto por un equivalente de la marca Omron, también de 8A.
Procedo a montar el relé nuevo. Lo importante en estos casos es, obviamente, el diseño del relé, para que entre en la placa y se pueda soldar, la tensión de la bobina y su resistencia (en este caso 12V – 630Ω) y, por último, la intensidad máxima que admiten sus contactos (en este caso 8 amperios a 250V).
Una vez substituido el relé monto la centralita de nuevo. Luego se coloca en su ubicación y se comprueba que funciona correctamente. El relé cumple su función, volviendo a hacer que el sistema arranque con normalidad.







