
Nota: este equipo Hifi es el mismo que el Akai AMD-75. Por tanto, la reparación es válida para dicha marca y modelo.
Equipo Hifi Vieta VHC200 que presenta varios problemas. Por una parte la botonera genera órdenes totalmente aleatorias: por ejemplo al pulsar Stop genera un Play o un Eject, al pulsar Avance genera un Stop o un Retroceso, etc. Nunca se obtienen los mismos resultados. A veces incluso no funciona ninguna tecla. Por otra parte el control de volumen siempre produce aumento del mismo, independientemente del sentido de giro del mando. Igualmente, el selector de función también funciona erráticamente. Ambos controles están comandados por sendos encoders.
Voy a dividir esta reparación en dos apartados, ya que se trata de problemas diferentes. Primeramente trataré la avería de los encoders de volumen y función y posteriormente la de la botonera. Estas averías se ubican en ambos módulos respectivamente, y para abrirlos tengo que retirar 8 tornillos en cada módulo.
Reparación de los encoders de Volumen y Función
Este problema se ubica en el módulo de alimentación y amplificación, en la foto anterior es que está abajo. Una vez abierta la tapa retiro la placa principal quitando sus 3 tornillos y desconectando los conectores. También saco los dos tornillos que el conector de altavoces tiene en el panel posterior.
A continuación hago un mantenimiento correctivo y preventivo de los condensadores de la fuente. Las salidas de alimentación mal filtradas pueden generar numerosos problemas y se trata de minimizarlos. La siguiente animación muestra los condensadores que voy a substituir, algunos de ellos muy deteriorados e incluso hinchados.
Una vez hecho el mantenimiento de la fuente me centro en los encoders. Tengo que desmontar la placa del panel frontal. Quito primeramente sus 6 tornillos y luego desueldo los contactos marcados en rojo en la siguiente fotografía.
Acto seguido extraigo los botones de Volumen y Función tirando de ellos hacia fuera y quito sendas tuercas que hay debajo.
A continuación puedo sacar la placa del frontal, que tiene los dos encoders a reparar. Para hacerlo los tengo que abrir desplegando las 4 pestañas que tiene cada uno, y que están indicadas con flechas verdes en la imagen siguiente.
Al desmontar los encoders observo que la grasa que se usa para que tengan un movimiento fluido y lento se ha salido de su lugar y ha invadido la zona de los contactos. Tengo que limpiarlo todo con alcohol isopropílico, de manera concienzuda. En el microscopio electrónico observo los contactos y voy controlando los resultados.
Monto los encoders limpios, la placa y el resto del equipo, quedando reparada esta avería. Ahora toca centrarse en los botones del otro módulo.
Reparación de la botonera que genera funciones aleatorias
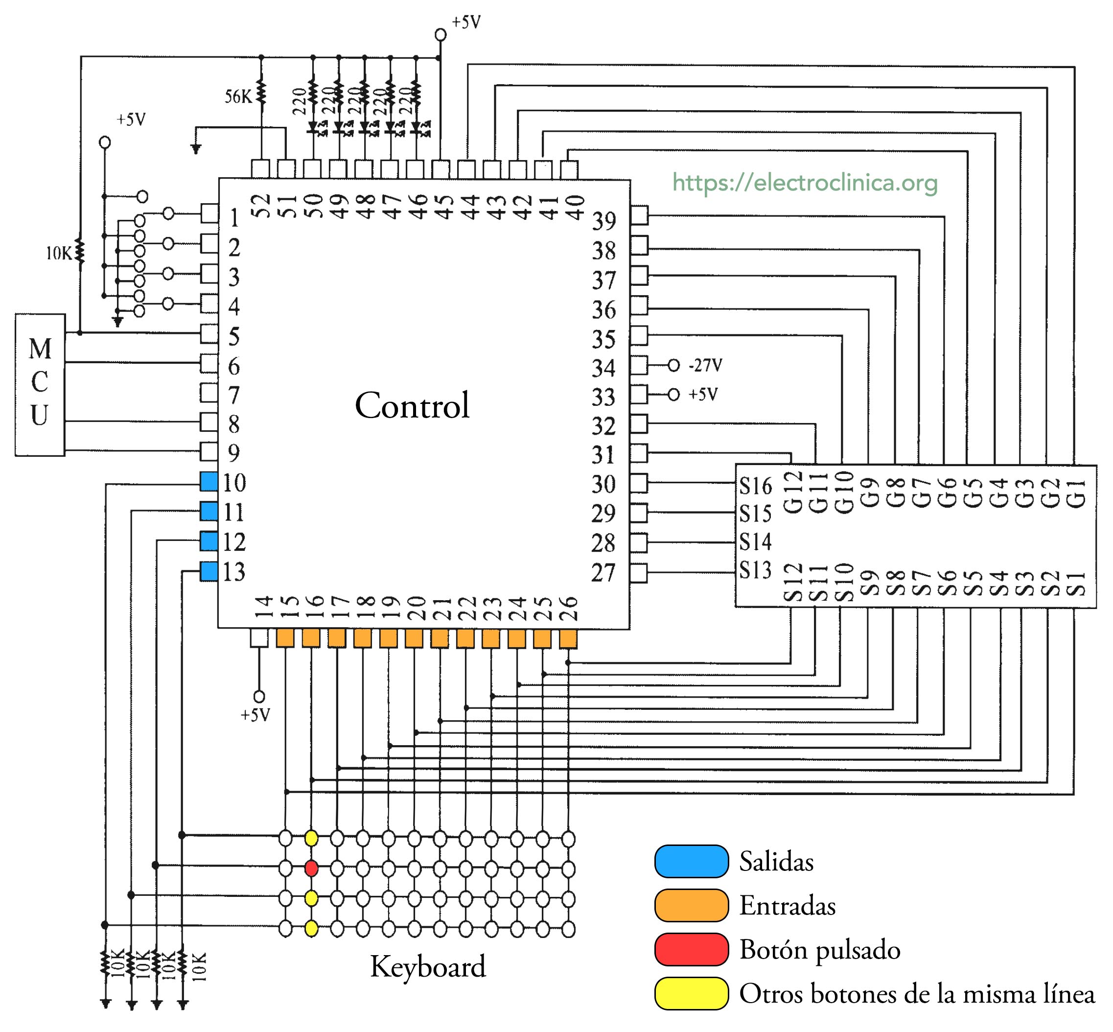
¿Por qué se genera este problema de aleatoriedad en las órdenes de la botonera de un equipo? En el siguiente esquema puede verse un conexionado típico de una botonera matricial a un chip controlador.
En rojo he marcado un botón que se supone que se ha pulsado. Dicho botón conectaría la salida 12 a la entrada 16. Pero como se puede ver en amarillo, la entrada 16 también puede recibir órdenes de las salidas 10, 11 y 13. Entonces, ¿cómo sabe el controlador qué orden ha de ejecutar al pulsar un botón concreto? La respuesta está en que cada salida va codificada de forma diferente, codificación que al ser recibida por el controlador en una entrada concreta ejecuta una orden determinada. El problema se presenta cuando fallan los microrruptores, debido principalmente a la humedad y la suciedad acumulada con los años. Es entonces cuando las entradas reciben partes incompletas de las codificaciones y se generan efectos impredecibles y totalmente aleatorios. Si uno de los botones queda en corto bloquea el resto y por eso a veces ningún botón respondía. En resumen: antes de sospechar de un microprocesador o un controlador defectuoso (que también podría ser), hay que dudar de los botones en sí mismos. Voy por tanto a substituirlos todos.
Con el módulo de DVD/CD abierto desmonto el bloque óptico quitando los 4 tornillos que lo anclan a la base. Lo retiro con cuidado, ya que tengo que desconectar los cables que van hacia la placa principal.
Luego saco la placa frontal quitando los 6 tornillos que tiene. Saldrá inclinándola de la parte superior y tirando hacia arriba. Se pueden desmontar antes los dos soportes del bloque óptico que hay cerca para tener más espacio.
Por último substituyo los 8 microrruptores por otros nuevos, asegurando así que no se provocarán fallos. Nunca se deben cambiar de forma parcial, sino todos en conjunto.
Finalizo el trabajo montando todo de nuevo y probando el equipo una vez cerrado. No muestra síntomas de fallo, ni por parte de la botonera ni por parte de los encoders. Todos los mandos funcionan correctamente y doy el equipo por reparado.
Anexo: Listado de los condensadores que se han substituido.


















